Der kommerzielle Nachrichtensender KN1e (B Gestell)

TX KN1e
Mein B Gestell vom Gerätesatz KN1e

Mehr Infos zum Gerätesatz KN1e

Meine neue Baustelle, der KN1e das B_Gestell.


Hier werde ich meinen Umbau meines KN1e zur Nutzung für Amateurfunk beschreiben .
Ich werde nur das B Gestell nutzen.Hier in diesen Teil des KN1e befindet sich d Netzteil der Treiber und die PA mit 4x STS 460.
In A Gestell befindet sich der Steuersender . Der Steuersender wird durch einen Transceiver ersetzt.

Abstimmeinheit und Kunstantenne AE 01

AE 01
Zum Gerätesatz gehört der AE01 .

Das AE01 wird in die Antennenzuleitung eingeschleift und Ermöglicht durch die Schaltung Kunstantenne einen Abschluss der Endstufe
ein Strahlungsfreies Abstimmen .Ein auf der Frontplatte der PA befindlicher Schalter ermglicht das Umschalten von Kunstantenne
50 Ohm auf die Antenne.
An meiner Station wird anstelle des AE01 ein KAM 1300 verwendet.
Neben Kunstantenne und Antennenumschaltung hat er zusätzlich eine Leistungsmessung.

Der KAM 1300



KAM 1300

Der KAM 1300 gehöhrt nicht zum Gerätesatz des KN1e ,sondern stammt vom Gerätesatz des KSG 1300 .
Dieser Gerätesatz ist der Nachfolger des KN1e. Der Gerätesatz KSG 1300 ist ein Nachrichtensender mit Transistoren .
Er wurde bis 1990 vom RFT Funkwerk Köpenik gebaut.
Der KAM 1300 beinhaltet eine Leistungsmessung bis 1200 Watt und eine Kunstantenne mit Umschaltmöglichkeit auf Antenne .
Am meiner Station verwende ich den KAM 1300 vor dem Antennenumschalter und ermöglicht dalle meine Aussendungen der
einzelnen Kurzwellentransceiver zu kontrollieren.

Zusätzliche Baugruppen zur Steuerung des B Gestell des KN1e mit Kurzwellentrasceiver

Netzeinschaltung des B Gestell des KN1e


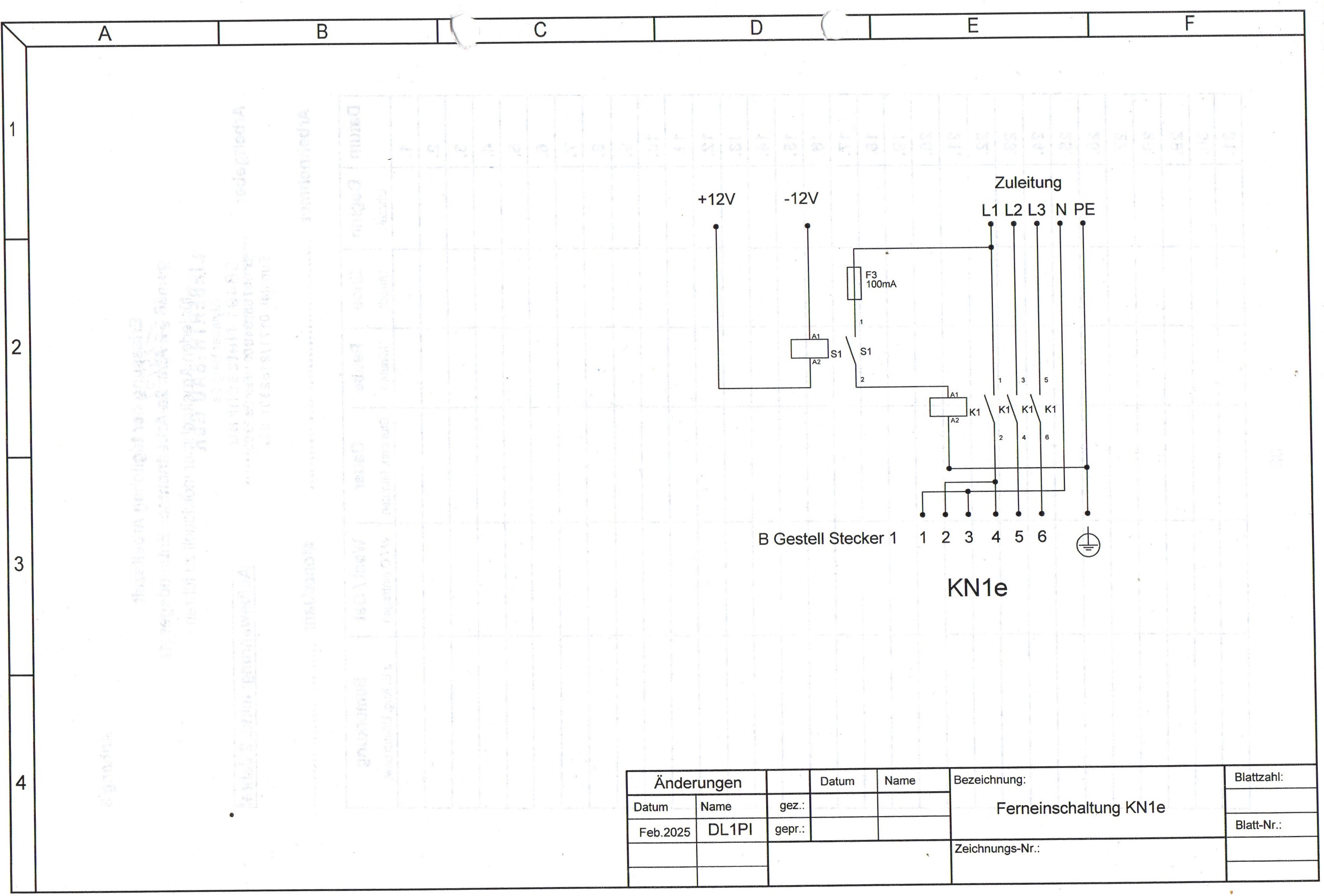
Ferneinschaltung
Schaltung
Diese Zusatzeinrichtung wir zwischen den Netz und dem Stecker im B Gestell des KN1e angeordnet .
Sie emöglicht ein Ferneinschalten des B Gestell durch Anlegen von einer externen 12 V Gleichspannung einen Hauptschalter zu simulieren .

Pegelanpassung TRX um KN1e mittels ATT Dämfung 15 dB



ATT Ansicht ATT Aufbau
ATT Draufsicht                                                                    ATT Aufbau 
Schaltung ATT Schaltung
Die Schaltung des ATT ist Aufgabaut auf einen Kühlkörper 140mm mal 100mm. Links der Eingang für maximal 100 Watt . Bei einer zugeführten Eingangsleistung von etaw 40 Watt wird der Nachgeschaltete Steueresendereingng des LLV01 im KN1e voll ausgesteuert. Diese Baugruppe wird später in die neuaufzubauende KN1e Fernbedienung integriert

Fernsteuerung des B Gestells vom KN1e mittels abgesetztem Bedienteil . Dieses neuafzubauende Bedienteil ersetzt den Einschub BSF 01 in A Gestell ( Steuersender) des KN1e



In diesen Zusatzgerät zum KN1e B Gestell wird die abgesetzte Bedienung des KN1e B Gestell die Ferneinschaltung ,die Pegelanpassung die Frequenzumschaltung und die Antennenumschaltung beschrieben .
wird fortgesetzt